
电磁流量计传感器自诊断信息与故障处理
电磁流量计是利用法拉第电磁感应定律的原理制造的。它能够把流速(流量)这个物理量线性地变换成感应电动势另一个物理量。 (1)结构简单,无活动部件和阻碍被测介质流动的扰动件或节流件,不会发生管道堵塞、磨损等问题。 (2)电磁流量计是一种测量体积流量的仪表,其测量不受流体的密度、温度、压力、粘度、雷诺数影响。电磁流量计测量范围很大。同一口径传感器,满量程流速在0.3-15m/。范围内任意设定,即上限范围度为50: 1; 电磁流量计不能测量气体、蒸汽和含有大量气泡的液体,不能测量石油、石油制品和不导电的有机溶剂等液体。受衬里材料和电气绝缘材料的温度限制,目前工业电磁流量计还不能测量高温介质。
LDE 智能电磁流量计
![]() |
一、概述 LD系列智能电磁流量计是采用国内外最先进技术研制开发的全智能型电磁流量计,其全中文电磁转换器内核采用高速中央处理器。计算速度非常快、精度高、测量性能可靠。转换器电路设计采用国际先进技术,输入阻抗高达 10 15 欧姆,共模抑制比优于 100db ,对于外来干扰以及 60Hz/50Hz 干扰抑制能力优于 90db, 可以测量更低的电导率的流体介质流量。其传感器采用非均匀磁场技术及特殊的磁路结构,磁场稳定可靠,而且大的缩小了体积,减轻了重复,使流量计小型流量化的特点。使客户“买的放心,用的省心,服务称心”是我公司的宗旨。 |
二、产品特点:
管道内无可动部件,无阻流部件,测量中几乎没有附加压力损失。
测量结果与流速分布,流体压力,温度、密度、粘度等物理参数无关。
在现场可根据用户实际需要在线修改量程。
高清晰度背光 LCD 显示,全中文菜单操作,使用方便,操作简单,易学易懂。
采用 SMD 器件和表面贴装( SMT 电路可靠性高。
采用 16 位嵌入式微处理器,运算速度快,精度高,可编程频率低频矩形波励磁,测量的稳定,功耗低。
全数字量的处理,抗干扰能力强,测量可靠,精度高,流量测量范围可达 150:1
超低 EMI 开关电源,使用电源电压变化范围大,抗 EMC 好
内部具有三个积算器可分别显示正向累计量及差值积算量,内部设有不掉电时钟,可记录 16 次掉电时间
具有 RS485 、 RS232 、 Hart 和 Modbus 等数字通讯信号输出。
具有自检与自论功。
三、工作原理
电磁流量计测量原理是基于法拉第电磁感应定律。流量计的测量管是一内衬绝缘材料的非导磁合金短管。两只电极沿管径方向穿通管壁固定在测量管上。其电极头与衬里内表面基本齐平。励磁线圈由双方波脉冲励磁时,将在与测量管轴线垂直的方向上产生一磁通量密度为 B 的工作磁场。此时,如果具有一定电导率的流体流经测量管。将切割磁力线感应出电动势 E 。电动势 E 正比于磁通量密度 B ,测量管内径 d 与平均流速 v 的乘积。电动势 E (流量信号)由电极检出并通过电缆送至转换器。转化器将流量信号放大处理后,可显示流体流量,并能输出脉冲,模拟电流等信号,用于流量的控制和调节。

式中: E : 电极间的信号电压( v )
B :磁通密度( T )
D :测量管内径( m )
V :平均流速( m/s )
式中 k, d 为常数,由于励磁电流是恒流的,故 B 也是常数,则由 E= KBdv 可知,体积流量 Q 与信号电压 E- 成正比,即流速感应的信号电压 E 与体积 Q 成线性关系。因此,只要测量出 E 就可确定流量 Q ,这是电磁流量计的基本工作原理。
由 E=KBdv 可知,被测流量体介质的温度、密度、压力、电导率、液固两两相流体介质的液固成分比等参数不会影响测量结果。至于流动状态只要符合轴对称流动(如层流或者紊流)就不会影响测量结果的。因此说电磁流量计是一中真正的体积流量计。对于制造商和用户来说,只要用普通的水实际标定后就可以测量其他任何导电流体介质的体积流量,而不需要任何修正。这是电磁流量计的一突出优点,是其他任何流量计所没有的。测量管内无活动及阻流部件,因此几乎没有压力损失,并且有分高的可靠性。
四、应用领域
由于电磁流量计有其独特的优点,因此被广泛用于化工化纤、食品、造纸、制糖、矿冶、给排水、环保、水利水工、钢铁、石油、制药等工业领域中,用来测量各种酸、碱、盐溶液、泥浆、矿浆、纸浆、煤水浆、玉米浆、纤维浆、粮浆、石灰乳、污水、冷却原水、给排水、盐水、双氧水、啤酒、麦汁、各种饮料、黑液、绿液等导电液体介质的体积流量
五、主要技术参数
● 公称通径系列 DN(mm)
管道式四氟衬里: 10,15,20,25,32,40,50,65,80,100,125 , 150,200,250,300,350,400.450,500,600
管道式橡胶衬里: 40 , 50 , 65 , 80 , 100 , 125 , 150 , 200 , 300 , 350 , 400 , 500 , 600 , 800 , 1000
注:特殊规格可以定制
• 流动方向:正,反,净流量,
量程比: 150 : 1
重复性误差:测量值的± 0.1%
• 精度等级:管道式: 0.5 级, 1.0 级
• 被测介质温度:
普通橡胶衬里: -20~+60 ℃ 高温橡胶衬里: -20~+90 ℃
聚四氟乙烯衬里: -30~+100 ℃ 高温型乙烯衬里: -30~+180 ℃
• 额定工作压力: 2.5Mpa, 1.6Mpa, 1.0Mpa (高压需定制)
• 流量测量范围:流速度范围是 0.3 — 15m/s
• 电导率范围:
电导率≥ 5 μ s/cm 大多数以水为成份的介质,其导电率在 200-800 μ s/cm 范围内,均可选用电磁流量。
• 输出电流及负载电阻: 4~20mA 全隔离负载电阻< 750 欧姆,脉冲频率 0-1KHZ 光电隔离 OCT ,外接电源≤ 35V ,导通时集电极最大电流为 25mA
• 电极材料:
含钼不锈刚、钛( Ti )、钽( Ta )、哈氏合金( H )、铂( Pt )或其他特殊电极材料
• 防护等级: 潜水型: IP68 ,其他型 IP65
• 供电电源: 85~265V , 45~63HZ
• 直管段长度:管道式:上游≥ 5DN ,下游≥ 2DN
• 连接方式:流量计与配管之间均采用法兰连接,法兰连接尺寸应符合 GB9119-88 的规定。
• 防暴标志: mdllBT4
• 环境温度: -25 ℃ ~+60 ℃
• 相对温度: 5%~95%
• 消耗总功率:小于 20W
六、常见介质电导率表
|
液体 |
电导率( μ s/cm ) |
液体 |
电导率(μ s/cm ) |
|
各种酸 |
10*10 4- 801 * 10 4 |
啤酒 |
600-800 |
|
碱液 |
8*10 4 -30*10 4 |
麦芽汁 |
500-1000 |
|
蒸馏水 |
0.01-5 |
牛奶 |
200-300 |
|
水及饮料 |
200-800 |
水果酱 |
400-1000 |
七、电磁流量计选型说明
|
LDE |
功 能 |
|||||||
|
通径 |
XXX |
管道公称直径,单位毫米 |
||||||
|
组合 |
S |
就地显示 + 变送远传, |
||||||
|
L |
分体型 |
|||||||
|
电极材料 |
M |
MO 2 Ti |
||||||
|
T |
Ti (钛) |
|||||||
|
D |
Ta (钽) |
|||||||
|
H |
哈氏合金 |
|||||||
|
P |
Pt (铂) |
|||||||
|
衬里材料 |
X |
橡胶衬里 |
||||||
|
F |
聚四氟乙烯 |
|||||||
|
P |
聚乙烯 |
|||||||
|
输出信号 |
0 |
无输出 |
||||||
|
1 |
4-20mA/0-1kHZ |
|||||||
|
|
2 |
4-20Ma/RS232 |
||||||
|
接地环(电极) |
0 |
无接地环 |
||||||
|
1 |
有接地环 |
|||||||
|
2 |
有接地电极 |
|||||||
|
上限流量 |
XXX |
最大流量,单位 m 3 /h |
||||||
正确地选用电磁流量计是保证用好电磁流量计的前提条件。选用什么种类的电磁流量计应根据被测流体介质的物理性质和化学性质来决定,使电磁流量计的通径,流量范围,衬里材料,电极材料和输出电流等,都能适应被测流体的性质和性质和流量的要求。
可测量的流体
由电磁流量计的工作原理可知,能选用电磁流量计测量流量的流体必须是导电的,严格的说,除了高温流体之外,只要电导率大于 5 μ /cm 的任何流体都选用相应的电磁流量计来测量流量,因此不导电的气体,蒸汽,油类,丙酮等物质不能选用电磁流量计来测量流量。
传感器口径的确定
流量计使用流速最好在 0.3-15m/s 范围内,此时流量计口径可选择与用户管道口径一致。
使用流速低于 0.3m/s 时最好在仪表部位局部提高流速,采用缩管方式:
一体型或分离型的选择
一体型:现场环境较好的情况下,一般都选用一体型,即传感器和转换器组装成一体。
分离型:即传感器和转换器分开装于不同的地点,一般出现以下情况时选用分离型。
⑴环境温度或流量计转换器表面受辐射温度超过 60 o C.
⑵管道震动较大的场合。
⑶会对传感器的铝壳严重腐蚀的场合。
⑷现场温度较大或有腐蚀性气体的场合。
⑸流量计装在高空或井下调试不方便的场合。
订货时应注明传感器的转换器分离距离,一般不能超过 100m, 转换器为墙挂式安装。
电极、接地环材料的选择: 根据流体的腐蚀性选择
|
材料 |
耐腐蚀性能 |
|
含钼不锈钢( OCr18Ni12Mo2Ti ) |
硝酸、温室下< 5% 硫酸、沸腾的磷酸、蚁酸、碱溶液、在一定压力下的亚硫酸、海水、醋酸 |
|
哈氏合金 C 哈氏合金 B(HC HB) |
耐氧化性酸、氧化性盐、耐海水、耐非氧化性酸、非氧化性盐、碱、常温硫酸 |
|
钛 (Ti) |
海水、各种氯化物和次氯酸盐、氯化性酸(包括发烟硝酸)、有机酸、碱 |
|
钽 (Ta) |
除氢氟酸、发烟硫酸、碱外的其余化学介质、包括沸点的盐酸。硝酸和< 175oC 硫酸 |
|
铂 (Pt) |
各种酸、碱、盐不包括王水 |
衬里材料选择说明: 应根据被测介质的腐蚀性、磨损性和温度来选择内衬材料。
|
内衬材料 |
名称 |
符号 |
性能 |
工作温度 |
适用液体 |
|
橡胶 |
氯丁橡胶 |
|
耐磨性中等,耐一般低浓度的酸碱盐的腐蚀 |
< 80OC |
自来水、工业用水、海水 |
|
聚胺脂橡胶 |
|
极好的耐磨性能,耐酸碱性能较差 |
< 60OC |
纸浆、矿浆等浆液 |
|
|
氟塑料 |
聚四氯乙烯 |
F4 或 PTFE |
化学性能很稳定,耐沸腾的盐酸、硫酸、王水、浓碱的腐蚀 |
< 180OC |
腐蚀性强的酸碱盐液体 |
|
四氯乙烯和六氟丙烯译名:特氟隆 FEP |
F46 或 FEP |
化学性能略逊于 F4 |
|
腐蚀性的酸碱盐液体 |
|
|
塑料 |
四氯乙烯和乙烯 |
F4 或 ETFE |
化学性能略逊于 F4 |
|
腐蚀性的酸碱盐液体 |
|
聚乙烯 |
PO |
化学性能稳定 |
< 60OC |
污水 |
|
|
聚苯硫醚 |
PPS |
|
< 150OC |
热水 |
流量范围的选择: 最大流量和最小流量必须符合下表中的数。
|
内径( mm ) |
10 |
15 |
20 |
25 |
32 |
40 |
50 |
65 |
|
Qmin(m3/h) Qmax(m3/h) |
0.0283 4.24 |
0.0636 9.54 |
0.12 16.96 |
0.176 26.5 |
0.29 43.42 |
0.452 67.85 |
0.7 106.0 |
1.19 179.0 |
|
内径( mm ) |
80 |
100 |
125 |
150 |
200 |
250 |
300 |
350 |
|
Qmin(m3/h) Qmax(m3/h) |
1.8 271.0 |
2.28 424.0 |
4.41 662.0 |
6.36 954.0 |
11.3 1690 |
17.6 2650 |
25.4 3810 |
34.6 5190 |
|
内径( mm ) |
400 |
450 |
500 |
550 |
600 |
700 |
800 |
900 |
|
Qmin(m3/h) Qmax(m3/h) |
45.2 6780 |
57.2 8570 |
77.6 10600 |
85.8 12800 |
101.0 15200 |
138.0 20700 |
180.0 27100 |
229.0 34300 |
|
内径( mm ) |
1000 |
1100 |
1200 |
1400 |
1600 |
1800 |
2000 |
2200 |
|
Qmin(m3/h) Qmax(m3/h) |
282.0 42400 |
342.0 51300 |
407.0 61000 |
554.1 83121 |
732.7 108566 |
916.0 137404 |
1131.0 169635 |
1368.4 205258 |
八、安装地点的选择
流量计的接线: 若采用分体安装连接的信号电缆采用定制的专用电缆线,电缆线越短越好
激磁电缆可选用 Yz 中型橡套电缆,其长度和信号电缆一样
信号电缆必须与其它的电源严格分开,不能敷设在同一根管子内,不能平等敷设,不能绞在一起应单独穿在钢管内
信号电缆和激磁电缆尽可能短,不能将多余的电缆卷在一起,应将多余的电缆剪掉,并重新焊好接头
电缆进入传感器电气接口时,在端口处做成 U 型,这样可以防止雨水渗透到传感器中。

一体就地显示接线端
上排 : T-T+ -----------------------RS485 通讯
FUSE ------------------------ 电源保险丝
下排 : AL,AH------------------------ 上下限报警
P+,COM---------- 脉冲频率, COM 与报警共用
1+ , COM-----------------------4 ~ 20mA
L1,L2-------- 电源 220V( 特殊订货 24VDC)

分体式远传接线端
转换器上排: DS2,SGND,DS------------- 信号屏蔽(铜丝网)
EXT_EXT+------------------ 激磁线圈
TR,TR+---------------------RS485 通讯
COM,ALM+,ALM---------------- 上下限报警
L1,L2-------- 电源 220V( 特殊订货 24VDC)
转换器下排 : SIG2,SGND,SIG1----------- 信号电极
ICCOM,ICOVT,INSW---------- 正反向 4 ~ 20Ma
只输出一路电流 INSW 为空
PCOM,PUL-PUI+ ---------- 正反向脉冲频率
传感器 : SIG1,SIG2,SGND--------------- 信号电极
DS1,DS2-------------------- 信号屏蔽(铜丝网)
EXT+,EXT- ------------------ 激磁线圈
安装要求
为了你正确的测量,在选择管道上位置时应注意以下几点要求:
⑴传感器既可在直管道上安装,也可以在水平或倾斜管道上安装,但要求二电极的中心连线处于水平状态。
⑵介质在安装位置应该满管流动,避免比满管及气体附着在电极上。
⑶对于液固两相流体,最好采用垂直安装,使被传感器衬里磨损均匀,延长使用寿命。
⑷流量计安装位置介质不满管时,可采取抬高流量半后端管路的方法,使其满管,严禁在管道最高点和出水口安装流量计。(见图)
⑸修改管道的安装方法:
当介质流速达不到要求时,应当选用较小口径的流量计,这时应使用异径锥管或修改部分管道,使其与传感器同口径,但前后直管段至少须满足:前直管段≥ 5DN, 后直管道≥ 2DN(DN 为管径 )
⑹前后直管段为流量计前≥ 5DN ,后端≥ 2DN
为了使变送器工作可靠稳定,在选择安装地点时应注意以下几个方面的要求:
尽量避开铁磁性物体及具有强电磁场的设备(如大电机、大变压器的等),以免磁场影响传感器的工作磁场和流量信号。
应尽量安装在干燥通风之处,不宜在潮湿、易积水的地方安装。
应尽量避免日晒雨淋,避免环境温度高于 60 ℃及相对湿度大于 95% 。

选择便于维修,活动方便的地方。
流量计应安装在水泵后端,阀门应安装在流量下游侧。
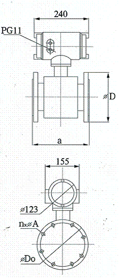
九、分体型转换器外观及安装尺
流量计传感器的外型尺寸 
|
DN |
a |
D |
Do |
n*A |
|
10 |
150 |
90 |
60 |
4*14 |
|
15 |
150 |
95 |
65 |
4*14 |
|
20 |
150 |
105 |
75 |
4*14 |
|
25 |
150 |
115 |
85 |
4*14 |
|
32 |
150 |
140 |
100 |
4*18 |
|
40 |
200 |
150 |
110 |
4*18 |
|
50 |
200 |
165 |
125 |
4*18 |
|
65 |
200 |
185 |
145 |
4*18 |
|
80 |
200 |
200 |
160 |
8*18 |
|
100 |
250 |
220 |
180 |
8*18 |
|
125 |
250 |
250 |
210 |
8*18 |
|
150 |
300 |
285 |
240 |
8*22 |
|
200 |
350 |
340 |
295 |
8*22 |
|
250 |
400 |
395 |
350 |
12*22 |
|
300 |
460 |
445 |
400 |
12*22 |
|
350 |
460 |
505 |
460 |
16*22 |
|
400 |
600 |
565 |
515 |
16*26 |
|
450 |
600 |
615 |
565 |
20*26 |
|
500 |
600 |
670 |
620 |
20*26 |
|
600 |
600 |
780 |
725 |
20*30 |
|
700 |
700 |
895 |
840 |
24*30 |
|
800 |
800 |
1015 |
950 |
24*33 |
|
900 |
900 |
1115 |
1050 |
28*33 |
|
1000 |
1000 |
1230 |
1160 |
28*36 |
|
1200 |
1200 |
1405 |
1340 |
32*33 |
|
1400 |
1400 |
1630 |
1560 |
36*36 |
|
1600 |
1600 |
1830 |
1760 |
40*36 |
|
1800 |
1800 |
2045 |
1970 |
44*39 |
|
2000 |
2000 |
2265 |
2180 |
48*42 |
|
2200 |
2200 |
2405 |
2315 |
52*45 |
十、仪表参数设置

仪表上有两个运行状态: 自动检测状态、参数设置状态
仪表上电时,自动进入检测状态。在自动检测状态下,仪表自动完成各测功能并显示相应的测量数据。在参数设置状态下,用户使用四个面板键,完成仪表参数设置。
功能键

下键:循环选择屏幕下行显示内容;
上键:循环选择屏幕上行显示内容;
复合键 + 确认键:进入参数设置状态;
确认键:返回自动测量状态。
则量状态下, LCD 显示器对比度的调节:小液晶是通过“复合键 + 上键”或“复合键 + 下键”按下数秒钟:大液晶是通过调节大液晶的电位器来实现。
参数设置状态下键功能 :
下键:光标处数字减 1 ;
上键:光标处数字加 1 ;
复合键 + 下键:光标左移;
复合键 + 上键:光标右移;
确认键进入 / 退出子菜单;
确认键:在任意状态,连续按下两秒钟,返回自动检测状态。
注: 1 使用“复合键”时,应先按下复合键同时按住上“上键”或“下键”。
2 在参数设置状态下, 3 分钟没有按键操作,仪表自动返回测量状态。
3 流量零点修正的流向选择,可将光标移至最左边的“ + ”或“ - ”下,用“上键”
或“下键”切换使之与实际流量相反。
4 流量的单位选择,可将光标移至“流量量程设置”菜单的原显示的流量单位下,然后用“上键”或“下键”切换使之复合需要。
参数设置功能操作
要进行仪表参数设定或修改,必须使仪表从测量状态进入参数设置状态。在测量状态下按“复合键 + 确认键”出现状态密码( 7206 ),再按“复合键 + 确认键”
后,则进入需要的参数设置状态。
参数设置菜单
转换器共有 24 个参数,用户应根据具体情况设置各参数。转换参数一览表如下:
参数设置菜单一览表
|
参数编号 |
参数文字 |
设置方式选择 |
密码级别 |
参数范围 |
|
1 |
语言 |
选择 |
2 |
中文、英文 |
|
2 |
仪表通讯地址 |
置数 |
2 |
0~99 |
|
3 |
仪表通讯速度 |
选择 |
2 |
600~14400 |
|
4 |
测量管道口径 |
选择 |
2 |
3~3000 |
|
5 |
仪表量程设置 |
置数 |
2 |
0~99999 |
|
6 |
测量阻尼时间 |
选择 |
2 |
0~100 |
|
7 |
流量方向择项 |
选择 |
2 |
正、反 |
|
8 |
流量零点修正 |
置数 |
2 |
± 0.000 |
|
9 |
小信号切除点 |
置数 |
2 |
0~99% |
|
10 |
允许切除显示 |
选择 |
2 |
允许 / 禁止 |
|
11 |
流量积算单位 |
选择 |
2 |
0.00001L~1m3 |
|
12 |
电流输出类型 |
选择 |
2 |
0~10mA/4~20mA |
|
13 |
脉冲输出方式 |
选择 |
2 |
频率 / 脉冲 |
|
14 |
脉冲单位当量 |
选择 |
2 |
0.00001L~1m3 |
|
15 |
频率输出范围 |
选择 |
2 |
1~5000HZ |
|
16 |
空管报警允许 |
选择 |
2 |
允许 / 禁止 |
|
17 |
空管报警阀值 |
置数 |
2 |
999.9% |
|
18 |
空管量程修正 |
置数 |
2 |
0.0000~3.9999 |
|
19 |
上限报警允许 |
选择 |
2 |
允许 / 禁止 |
|
20 |
上限报警数值 |
置数 |
2 |
0.000~199.9% |
|
21 |
下限报警允许 |
选择 |
2 |
允许 / 禁止 |
|
22 |
下限报警数值 |
置数 |
2 |
0.000~199.9% |
|
23 |
积算总量清零 |
密码 |
3 |
0.0000~3.9999 |
|
24 |
清积算量密码 |
置数 |
4 |
0.0000~3.9999 |
十一、自诊断信息与故障处理
电磁流量转换器的印刷电路板采用表面焊接技术,对用户而言,是不可维修的。因此,用户不能打开转换器壳体。智能化转换器具有自诊断功能。除了电源和硬件电路故障外,一般应用中出现的故障均能正确给出报警信息。这些信息在显示器右上方提出“!”惊叹号。在测量状态下,通过下键翻页,显示出故障内容如下:流量正常、励磁报警、空管报警
• 仪表无显示
• 检查电源是否接通;
• 检查电源保险丝是否完好;
• 检查供电电压是否符合要求;
• 检查显示器对比度调节是否能够调节,并且调节是否合适;
• 如上述前 3 项 a) 、 b) 、 c) 都正常, d) 项显示器对比度调节不能够调节请将仪表交生产厂维修。
2 )励磁报警
a) 励磁接线 EX1 和 EX2 是否开路;
b) 传感器励磁线圈总电阻是否小于 150 Ω
c) 如果 a 、 b 两项都正常,则转换器有故障
3 )空管报警
a) 测量流体是否充满传感器测量管 ;
b) 用导线将转换器信号输入端子 SIG1 、 SIG2 和 IGGND 三点短路,此时如果“空管报警”提示撤消,说明转换器正常,有可能是被测流体电导率低或空管阀值及空管量程设置错误;
c) 检查信号连线是否正确;
d) 检查传感器电极是否正常;
①、使流量为零,观察显示电导比应小于 100%
②、在有流量的情况下,分别测量端子 SIG1 和 SIG2 对 SIGGND 的电阻应小于 50K Ω(对介质为水测量值。最好用指针万用表测量,并可以看到测量过程有充放电路现象)。
e) 用万用表测量 DS1 和 DS2 之间的直流电压应小于 1V ,否则说明传感器电极被污染,应给予清洗。
4 )上限报警
上限报警提示出输出电流和输出频率(或脉冲)都超限制。将流程量程改大可以撤消上限报警。
5 )下限制报警
下限制报警提示出输出电流和输出频率(或脉冲)都超限。将流量量程改小可以撤消下限报警。
上一篇:涡街流量计故障判断及处理
版权所有 Copyright(©)2009-2011 江苏力科仪表有限公司
电话号码:0517-86909222 商务热线:15305232668 传真:0517-86909221
地址:江苏省金湖县工业园
技术支持:易品网站建设专家 苏ICP备13047422号-2